지금까지 오구라 다케노스케의 생애와 그가 수집한 유물, 즉 오구라 컬렉션에 대해 살펴보았다. 그는 대구로 건너와 전기회사를 경영하며 '조선의 전기왕'으로 불릴 만큼 큰 성공을 거뒀다. 또한 국보급, 보물급에 해당하는 유물을 포함하여 수많은 유물들을 수집하면서 '유물 수집의 권위자'로도 불렸고, 일부는 일본으로 반출하기도 했다. 일본의 패전으로 귀국해야 했던 그는 대구 저택에서 보관하고 있던 유물들을 저택 지하실에 숨기거나 지인에게 맡기기도 했고, 대구부에 기증하거나 미군에게 압수당하기도 했다. 그리고 트럭 두 대 또는 일곱 대 분에 해당하는 유물들을 일본으로 불법 반출했고, 이후 '오구라 컬렉션 보존회'를 설립하여 유물들을 관리했다.
그렇다면 한일회담에서 한국 정부는 오구라 다케노스케의 반출 유물에 대해 어떻게 인식하고 있었고, 이에 대한 조사는 어떻게 진행했을까? 그리고 일본 정부에 어떠한 견해를 피력하며 반환을 요구했을까? 제2부 13화와 제14화에서는 그가 수집한 유물들을 둘러싼 한일 양국의 인식, 논의를 중심으로 그 교섭 과정을 살펴보기로 한다.
한국 정부, 오구라 컬렉션 반환 요구 준비
한일 양국은 1958년 4월 15일에 제4차 한일회담을 개최한다. 제3차 한일회담이 '구보타 발언'(제1부 ③ 참조)으로 1953년 10월 말에 중단된 이후 약 4년 6개월 만에 전면회담이 재개된 것이다. 제4차 한일회담 개최 전 한일 양국은 1957년 12월 31일에 합의된 여러 사항들을 이행하고 회담을 준비하기 위해 실무위원회를 먼저 진행했다. 이때 문화재 반환 문제에 관한 논의도 이루어졌는데, 구두전달사항( 제1부 ④ 참조)을 바탕으로 일본 측이 어떠한 문화재를 한국 측에 인도할지를 논의했다.
한국 정부는 1월 10일에 주일대표부에 교섭 방침을 보낸다. 그중 문화재 반환 문제 관련 주요 방침으로 '구두전달사항에 따라 일본 정부가 소유하고 있는 한국예술품 반환 목록을 1958년 2월 1일까지 확보할 것', '해당 문화재들을 2월 말까지 반환받고, 남은 문화재는 전면회담에서 논의·결정할 것'을 지시했다.
한편 외무부는 '피탈미술품목록 기1'을 주일대표부에 송부한다. 이는 문화교육부가 외무부로부터 일본 소재 한국 관계 문화재 조사를 의뢰받아 작성한 '피탈미술품목록'의 일부로 생각된다. '피탈미술품목록'은 당시 한국 정부가 어떠한 문화재들을 반환의 대상으로 삼고 있는지 확인할 수 있는 자료로 생각되지만, 한일회담 관련 외교문서에서는 발견되지 않는다. 이후 문화교육부는 '피탈문화재 중 일부의 설명서'를 작성하여 외교부로 보내는데, 이는 '피탈미술품목록' 중 반출 경위와 소재지가 명확한 것들의 현황을 정리한 것이다.
'피탈문화재 중 일부의 설명서'는 문화재의 소재지와 반출 경위를 간략하게 설명하고 있다. '오구라 다케노스케 소장품'을 비롯하여 '양산부부총', '낙랑 왕우묘 발굴품', '경주 석굴암 대리석 사리탑 1기와 감불 2기', '오대산 사고 소장 조선왕조 한질', '고려자기 약 120점'을 포함하고 있었다. '오구라 다케노스케 소장품'에 대한 설명은 아래와 같다.
이 소장품은 오구라가 남선전기회사 사장으로서 대구 재주 시 입수한 것이며 그의 거의 전부가 도굴품으로서 그 중 창녕 출토 황금 관■두 및 고려자기 등 일본에 반출되어 일본 정부에 의해 국보, 중요미술품, 중요문화재로 지정된 것이 다수이며, 이 소장품은 비록 개인 소장이라 할지라도 그 가치의 중요성에 비추어 당연히 반환되어야 할 것임.
한국 정부도 이미 오구라 다케노스케가 일제강점기 당시 대구에 거주하면서 수많은 유물들을 수집했고, 그것이 대부분 도굴품이며 국보급, 보물급에 해당하는 유물들도 포함하고 있었다는 점을 파악하고 있었다는 것을 알 수가 있다.
황수영 전문위원의 오구라 다케노스케 반출 유물 조사
한국 정부는 이후 일본현지조사를 통해서도 일본으로 반출된 문화재들을 조사하는데, 황수영이 이를 담당했다. 그는 당시 문화재 반환 교섭에서 전문위원으로 활동하면서 '오구라 다케노스케 소장품 신목록에 관하여'(7월 21일 보고서)를 작성하는 등 일본현지조사 뿐만 아니라 문화재소위원회 등 문화재 반환 교섭에 직접 참가하여 큰 활약을 했다. 그럼, '오구라 다케노스케 소장품 신목록에 관하여'는 어떤 내용일까?
우리 문화재를 소장하고 있는 일인 중 양과 질에 있어서 수위를 차지하는 오구라 다케노스케(생존 중)의 소장품 목록은 정부 작성의 문화재 목록 (一), (二) 중에 포함되어 있습니다만 그에 의거한 주요한 자료가 모두 1945년 이전에 작성된 전람회 출품 목록입니다. 이곳에서 최근에 작성된 전목록 두 종을 입수하였으므로 상호 검토 중에 있습니다만, 최신 목록 ②에 의한 종별 수량은 아래와 같습니다.
① 1953년 조사, 1954년 ■■ 오구라가(小倉家) 소장 미술공예·고고품 목록
② 오구라 컬렉션 목록(1957년 말이나 금년 초 작성한 것으로 추정됨)
오구라 다케노스케 소장품은 1945년 이후 매매 또는 일부 도난에 의한 변동이 다대했으며 그 중 일본의 중요미술품으로 지정되어 있던 고려자기는 거의 타인에게 매매되었다고 합니다. 또 그 모든 소장품의 보관을 위하여 법인조직이 승인되었다고 하는 바(금년 4월경) ②의 목록은 그와 같은 수속을 위하여 신규로 작성된 것이라고 함.
황수영은 한국 정부가 이전에 작성했던 문화재 반환 목록 중 오구라 다케노스케 소장품 목록이 갱신이 필요하다고 생각했다. '정부 작성의 문화재 목록 (一), (二) 중에 포함되어 있습니다만' 부분을 봤을 때 해당 목록은 앞에서 언급한 '피탈미술품목록'의 일부라고 생각된다.
해당 목록에 포함된 오구라 다케노스케의 소장품 목록은 '주요한 자료가 모두 1945년 이전에 작성된 전람회 출품 목록'이라는 것을 봤을 때 그가 일제강점기 당시 어떤 유물 전람회에 출품했었던 유물이었고, 한국 정부가 이를 '피탈미술품목록'에 포함한 것이다. 황수영은 해방 이후 오구라 다케노스케 소장품 목록이 새롭게 작성된 것을 확인하고 이를 바탕으로 목록을 갱신하려고 했던 것이다.
이와 함께 오구라 다케노스케 소장품의 당시 현황도 확인할 수 있다. 그는 해방 이후 일본으로 귀국하여 유물들을 보관하면서 생계를 위해 유물의 일부를 매매하기도 했다. 어떠한 유물들을 매매했는지 이를 모두 파악할 수는 없지만, '청자구룡정병'(靑磁九龍淨甁)과 같이 중요미술품으로 지정된 고려자기를 매매한 것으로 보이며(제2부 ⑩ 참조), 유물을 도난당하기도 했다.
그리고 '1945년 이후 매매 또는 일부 도난에 의한 변동이 다대'했다고 하는데, '많고도 크다'라는 의미의 '다대'라는 표현을 사용한 만큼 오구라 다케노스케가 일본으로 반출한 유물들 중 많은 유물을 매매하고 일부는 도난을 당하면서 반출한 유물의 수량에도 변동이 있었다고 추정할 수 있다. 이로 인해 당시 그가 매매한 유물과 도난당한 유물을 현재 누가 소유하고 있는지 등 유물의 행방도 대부분 알 수가 없다는 점은 두말할 필요도 없을 것이다.
이와 같이 황수영은 일본현지조사를 실시하면서 오구라 다케노스케가 반출한 유물들의 현황을 파악했고, 한국 정부는 해당 자료들을 통해 문화재 반환 교섭을 준비하고 있었다.
제4차 한일회담 중단기의 반환 문화재 목록 조사와 오구라 다케노스케의 반출 유물
제4차 한일회담 당시 문화재 반환 문제는 문화재소위원회에서 논의된다(제1부 ⑤ 참조). 한국 측은 제5차 문화재소위원회(10월 25일)에서 '제1차 반환청구 한국문화재 항목'을 제시하고, 문화재 반출 경위 등을 설명하며 일본 측에 문화재 반환을 요청한다. 하지만 일본 측은 아직 교섭의 기본 방침이 정해지지 않았다거나 정부 훈령을 받지 못했다 등을 이유로 들며 문화재 반환 교섭에 계속 적극적으로 임하지 않았다(제1부 ④ 참조).
1958년 10월 1일부터 재개되었던 제4차 한일회담이 북송문제로 인해 1959년 1월에 중단되는데, 당시 한국 정부는 1959년 10월 7일에 '일본 소재 미술품 및 고고학 자료 누적 목록'을 포함한 지침을 주일대표부로 보낸다.
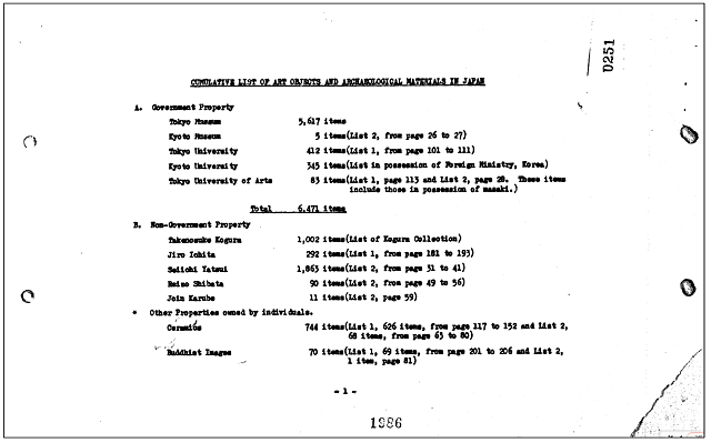
이 목록에서 오구라 다케노스케의 반출 유물은 '미술품 및 고고학 자료 누적 목록'과 '개인 소유의 한국문화재 청구품목'에서 언급되었다. 먼저 '미술품 및 고고학 자료 누적 목록' 중 '개인 소유 미술품과 고고학적 자료 누적 목록'에는 오구라 다케노스케의 반출 유물 수량이 1,002개로 적혀 있었다. 이와 함께 이치다 지로(市田次郞) 292점, 야쓰이 세이이치(谷井濟一) 1,863점, 시바타 레이조(柴田鈴三) 90점, 가루베 지온(輕部慈恩) 11점도 함께 적혀 있었다.
다음으로 '개인 소유의 한국문화재 청구품목'에는 '오구라 다케노스케 소유 문화재'라는 항목으로 1,002점이 적혀 있었다. '이치다 지로 소유 문화재' 항목 292점이 함께 적혀 있었는데, 개인 소유 문화재 중 오구라 다케노스케와 이치다 지로가 두 번이나 언급된 점은 당시 한국 정부가 이들이 반출한 문화재를 반환받아야 할 주요 대상으로 삼고 있었다고 볼 수 있다.
이상과 같이 제4차 한일회담에서 한국 정부는 반환 문화재 목록을 작성했는데, 오구라 다케노스케의 반출 유물도 포함되어 있었다. 그의 반출 유물은 '피탈미술품목 기1'와 황수영 전문위원의 일본현지조사 보고서뿐만 아니라, '일본 소재 미술품 및 고고학 자료 누적 목록'에서 두 번이나 등장할 정도로 당시 한국 정부가 오구라 다케노스케의 반출 유물을 반환받아야 할 중요한 문화재로 생각하고 있었다는 점을 확인할 수 있다.
■ 참고문헌
한일회담 관련 한국정부 외교문서
엄태봉, <한일 문화재 반환 문제는 왜 해결되지 못했는가?-한일회담과 '문화재 반환 문제의 구조'>, 경인문화사, 2024.


전체댓글 0